网站首页
关于沃德
公司简介
企业文化
厂房设备
荣誉资质
合作客户
合作客户
新闻资讯
公司新闻
行业动态
产品中心
不锈钢泵系列
管道离心泵系列
高温油泵系列
化工泵系列
潜水泵系列
供水设备
案例展示
案例展示
资料下载
资料下载
联系我们
联系方式
产品中心
每一款产品都能保证精工品质劲释科技性能
PRODUCT
当前位置:
首页
>
产品中心
> 管道离心泵系列
不锈钢泵系列
管道离心泵系列
高温油泵系列
化工泵系列
潜水泵系列
供水设备
产品名称:
GDF(2)系列不锈钢单级管道泵 不锈钢耐腐泵 不锈钢离心泵
产品简介:
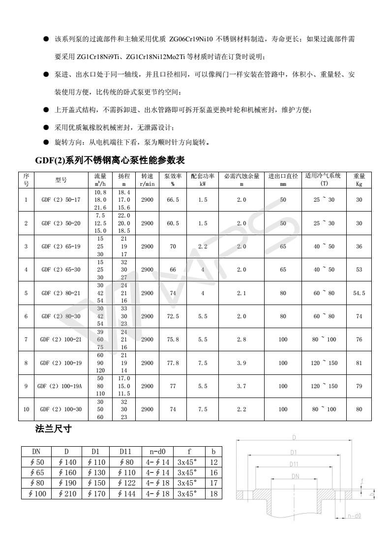
GDF(2)系列立式不锈钢离心泵是我公司根据 市场发展需求,采用崭新设计理念,研发的新一代 节能,高效产品。产品的设计符合国家 GB/T 5656 离心泵 技术条件(Ⅱ类)。其结构形式采用单级单 吸直联式,使之结构更紧凑,安装空间更节约,体 积更小,重量轻。其主要特点:结构紧凑,高效节 能,低噪音,坚固耐用,维修简单方便等。
产品描述:
上一条:
GD(2)系列立式管道泵 高效离心泵 空调泵 热水泵
下一条:
GDX系列静音立式管道泵 静音离心泵 冷水泵 冻水泵 高温泵
[ 返回 ]
其他产品:
IS、IH型系列单级单吸(轴向吸入)离心泵
GW系列立式无堵塞管道泵 立式污水管道泵 立式废水泵
IS.IH系列连轴单级离心泵 轴连卧式耐腐蚀泵 不锈钢轴连泵
网站首页
关于沃德
合作客户
新闻资讯
产品中心
案例展示
资料下载
联系方式
HOME
About
Partner
news
Product
Case
Download
Contact
专注工程配套泵浦 工业设备配套泵浦
惠州沃德泵业有限公司 版权所有
@WUODOR all rights reserved
联系电话:13829253637 15018885670
公司地址:中国 惠州 仲恺高新区 陈江五一工业区
备案号:
粤ICP备17116765号
技术支持:
聚格网络
粤公网安备 44130202000599号