产品名称:CHL系列卧式多级不锈钢离心泵 多级不锈钢纯水泵
产品简介:CHL CHLK和CHLF(T)型泵主要用于工业上:
.空调系统.冷却系统.工业清洗.水处理(水的净化).水产养殖.施肥/计量系统.环境应用
.(其他)许多专门特定用途
输送液体
.稀薄、清洁、不含固体颗粒或纤维的非易燃易爆液体。.泵可以输送诸如矿泉水、软化水、纯水、清油和其他轻化工介质。.当输送液体的密度或粘度大于水,如需要,必须
配用大功率电机。
.泵是否适用于某一特定液体由多种因素决定,其中最重要的是氯含量、pH值、温度和溶剂、油的含量等。
运行条件
.液体温度:常温型一is℃至+}o0c
. 热水型一is℃至+11 o0c
.最大环境温度:+ 400C
.最大运作压力:10巴
.最大进口压力受最大运作压力限制
.所有曲线都基于电机在‘!亘速2900rpm的测量值。
.曲线容差符合IS09906,附录Ao
.测试采用20℃不含空气的水,运动粘度为1mm2/so
.泵的使用参照加粗曲线的性能范围,以防流量过小产生过热和流量过大使电机过载等。
电机
.电机为全封闭,风冷式二极电机。
.防护等级:IP55
.绝缘等级:F
.标准电压: 1 x 220-240V 3 x 220-240V/380-415V
.单相电机最大功率为2.4kW
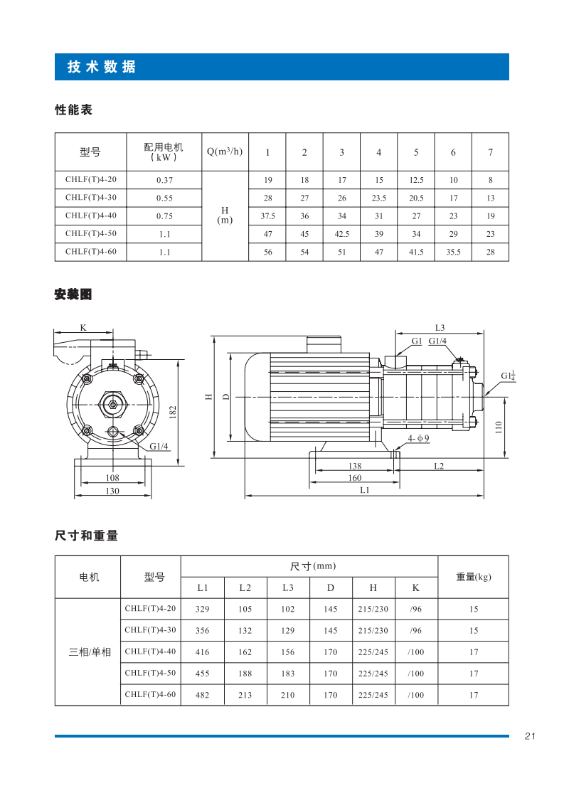
卧式多级非自吸离心泵,配加长轴电机。.紧凑式结构使泵尺寸很小,轴向入口和径向出口。